 |
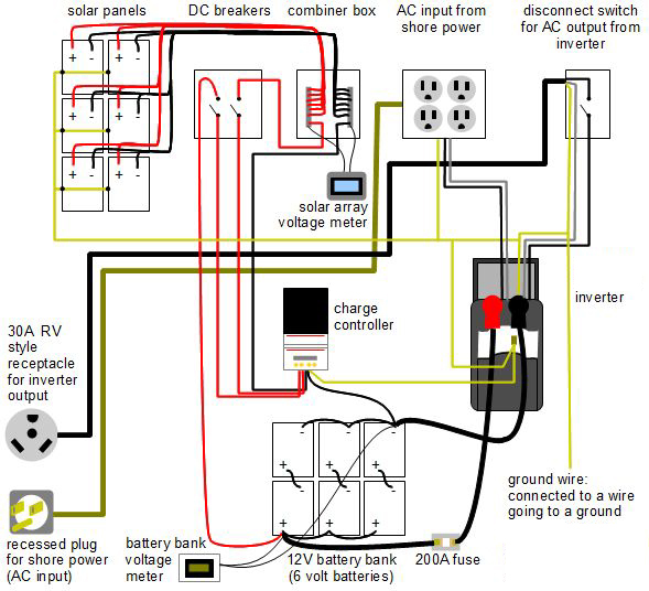
Solar Charging System Diagram
I get a lot of criticism for not including solar power, gas heat, and
electrical storage via batteries in my book. I don't include them for
very good reasons. I don't need them. They are expensive. They take up
a lot of room. They are dangerous. They are expensive and unreliable.
They require a moderate to high level of technical skills. They destroy
your ability to stealth camp, thus raising your costs even further. They
are theft magnets.
Unless you are parked in the same spot for 6 months at a time or longer,
you will never be able to justify the use, cost and hassle of any of these.
Use the pure Vanabode strategies I outline in the book to eliminate these
costly systems. They are called SYSTEMS for a reason. The system
only works if every single complicated expensive part of them is working
properly. If just one small portion is not working correctly, just one
loose wire, or just one messed up circuit, and all you have is a pile
of heavy, space stealing junk, just itching to draw the attention of some
wandering thief. Take a look at this image of a solar charging and storage
system wiring diagram and you will see why I just walk around this problem.

Or below shows an artists more simplified view


|  |
Sitemap List of All Pages
Order Book Now
How will this book help Me?
Do I Need This Book?
Excerpts from Book
Here's Why They Hate Me
Readers Opinions of Book
Great Money Saving Books
Authors Biography
Affiliates
Camping Travel Diary
Destinations Guide
Links
Contact us, Get Help

|
 |